電視牆塌下壓死貓貓。(天下貓貓一樣貓@FB)
一名貓主日前在Facebook群組發文,指責裝修公司因施工失誤導致其愛貓「阿布」不幸身亡,該帖文引起廣泛關注。涉事裝修公司的總監已向貓主道歉,但貓主昨晚(11日)發出公開信,批評裝修公司負責人對媒體的訪問言論為「完全不負責任」,並表示至今未收到正式道歉。貓主提出3個要求:正式書面道歉並刊登、全面報告解釋事故成因,以及全額退回裝修費用,並以「阿布」名義捐贈給指定慈善機構。
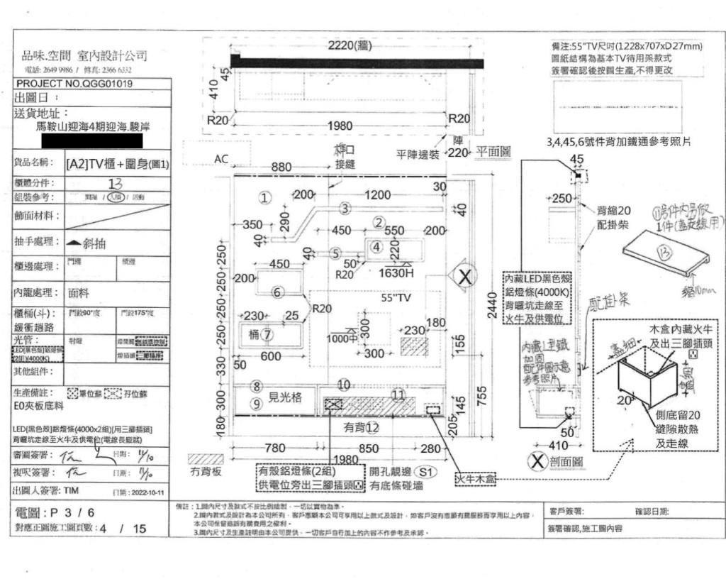
胞姊上載設計圖紙 質疑因失職所致
貓主Chris表示,「阿布」已完成火化,但他對裝修公司未給予正式道歉感到失望。他強調,作為負責設計、施工和監工的公司,應對事故負全責,即使責任推卸給個別員工,這仍是公司的內部問題。他指出,事件給家人「帶來永不磨滅的傷痛經歴,亦令我哋獲得一個慘痛的警惕—裝修工程背後的安全監管係不容忽視」。貓主要求裝修公司改進工作流程,防止類似事件發生。
此外,一名自稱事主胞姊的女子在fb討論區發文,並上載裝修公司提供的設計圖紙。她表示根據圖紙,電視櫃底板的加厚是為了安裝電視,並無指引要求將電視螺絲鑽入石屎牆內,事後裝修公司亦無作出提醒。她認為事故是由於設計混亂和施工失職所致,而非裝修公司負責人所稱的原因。















